Reingenería de
Torno CNC

Alumno: Naranjo, Manuel Francisco

Director: Ing. Sosa, José Ignacio

Marzo 2015

¿Objetivos del proyecto?

Convertir


recuperar, refactorizar

En


¿Qué es un torno?

¿Qué es CNC?

Máquina herramienta
+
Computadora

Ventajas

  • programa de pieza
  • +
  • control movimiento automático
  • =
  • repetitividad, producción

Características constructivas

Proceso del proyecto

Identificar subsistemas

modelado inicial comportamientos

Clasificar componentes

análisis de documentación

Drivers y servos Estun

División en subsistemas

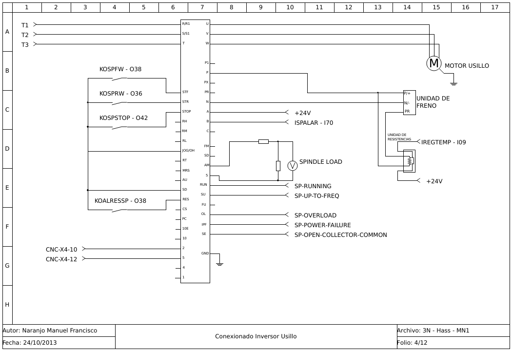
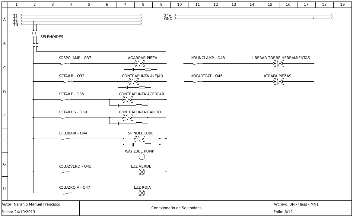
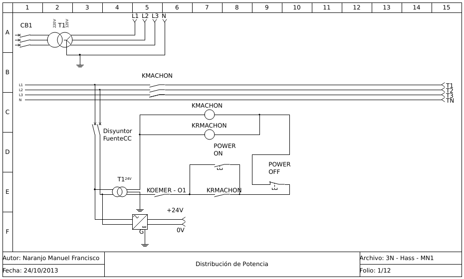
Circuito eléctrico

Arranque inicial de controladora

Esquemas de circuito

Ejes X, Z y T

Proceso de ajuste

  • lazo abierto
  • lazo cerrado sin carga
  • lazo cerrado con carga
  • ganancias y velocidades

Cambiador de herramientas

Cabezal
y
husillo

Saca virutas

Lubricación de ejes y cambiador

Refrigerante

Contra-punta

Part-catcher

Primeras pruebas

Integración final

Problemas y soluciones

Conclusiones y futuro

¿Preguntas?

Gracias

Fin